氣動調節閥在打開瞬間,閥桿會有較大的運動速度,并可能發生頂桿與閥桿的反向碰撞問題,給頂桿或閥桿帶來損傷。
氣動調節閥廣泛應用于運載火箭的加注、泄出、排氣等系統,在飛型號的排氣閥、安溢閥,在研型號的加注閥、排氣閥等多采用氣動控制閥。隨著閥門的直徑、流量的增大,閥門的結構尺寸和重量也越來越大。氣動調節閥的控制氣一般為高壓氣(約5 MPa),在此氣體壓力下,強制作動器內的頂桿迅速運動,推動活閥打開。隨著閥門口徑的增大,頂桿、活閥的快速運動和撞擊,帶來了閥門的動強度問題。因此對閥門內部閥芯、強制頂桿運動規律的研究越來越重要。
基于Adams軟件對一種快速泄放閥的響應特性進行了仿真與分析,得出泄放閥閥芯運動規律和內部氣體壓力變化規律;吳建軍等通過Simulink軟件對抽油泵泵閥進行仿真,得到泵筒內的液體壓力變化規律曲線、泵閥打開高度曲線及泵閥運動速度曲線;余鋒等采用ABAQUS軟件分析了保險閥導向桿斷裂故障,得到導向桿設計動強度不足的故障原因;
充氣開關閥桿斷裂問題,得到閥桿斷裂失效機理;潘英朋等提出了一種低溫氣動閥門方案,并對波紋管等關鍵零件進行了計算和分析;王春民等研究了自鎖閥在振動和沖擊環境下性能變化情況。
本文以某火箭用加注閥為例,對氣動閥門內部運動規律進行了研究,采用AMESim軟件對閥門運動特性進行了分析,確定了閥門內部頂桿和閥桿間的運動關系,并采用非接觸測量手段得到閥門在打開時的活閥運動速度,以驗證仿真分析的正確性。
1 氣動調節閥
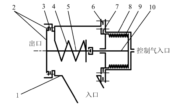
加注閥結構主要由閥瓣、閥桿、彈簧、作動器殼體、頂桿、閥體和膜盒等組成,其結構如圖1所示。閥門工作原理為:閥門打開時,由控制氣入口通5 MPa氣體,高壓氣體推動膜盒和頂桿運動,克服彈簧力和閥門出口氣體壓力,使閥門打開;閥門關閉時,控制氣入口氣體泄壓,在彈簧力作用下,閥瓣和閥桿回位,閥桿推動頂桿和膜盒回位,閥門關閉。
圖1 加注閥結構原理
1—閥體;2—閥芯;3,6,7—密封墊片;4—彈簧;
5—閥桿;8—作動器殼體;9—膜盒;10—頂桿
加注閥試驗系統原理如圖2所示。閥門啟閉試驗流程為:打開A口(閥門入口),C口(控制氣入口)不通氣,B口(閥門出口)通入0.53 MPa氣體,C口再通入4.5 MPa氣體,使加注閥打開,C口放氣,加注閥關閉。
本文主要關注閥門在試驗過程,即模擬正常使用工況下的閥門內部頂桿和閥桿的運動規律,以及相互運動關系,為閥門的設計提供指導。

圖2 加注閥試驗系統原理
2 氣動調節閥內部運動規律分析
2.1 氣動調節閥運動特性
為分析氣動調節閥在真實工況下的內部運動規律,采用AMESim對試驗系統和閥門進行建模,模型如圖3所示。

圖3 加注閥性能試驗仿真模型
通過AMESim仿真,對試驗過程中,閥桿和作動器頂桿的運動特性進行了分析,如圖4所示,根據分析可知閥門內部運動規律為:
a)閥門開啟。
1)由圖4可知,在0 s通氣時,作動器頂桿沒有運動,隨后逐漸克服膜盒反力后頂桿開始運動,接觸到閥桿后,運動暫停。
2)氣體壓力繼續上升,當壓力克服了彈簧力、膜盒力、閥門B口氣體壓力(0.53 MPa)后,頂桿和閥桿一起向前運動,如圖5所示。
3)當頂桿運動到限位后停止并有一定的反彈,閥桿在慣性作用下繼續運動,運動到彈簧壓力克服慣性力后,閥桿停止運動,并有一定的反彈。
b)閥門關閉。
強制氣撤去后,閥門在彈簧力作用下,閥桿推動頂桿回位,閥桿限位后,頂桿在膜盒反力下繼續運動到限位。
對于加注閥,其頂桿行程為23 mm,閥桿行程為21.4 mm,但在實際運動中,閥桿的最大行程約為34 mm,這樣應在設計中考慮增加的行程對于閥門內部結構的影響;另外,對于加注閥,其頂桿和閥桿之間有一個蝶形鉤,如果閥桿繼續向前運動超過1.4 mm(見圖1),則會發生閥桿與頂桿的反向碰撞,根據計算其與頂桿的相對速度約為4.4 m/s(見圖6、圖7),因此可能給閥桿和頂桿造成沖擊損傷。
本文鏈接:http://www.667894.com/case/5e66e0ce60ce4d0b8814d0d5
