發布時間:2018-12-19
ZSHWf氣動襯氟蝶閥由閥體、內襯里層(聚四氟乙烯或橡膠)和(不銹鋼閥板或鍍鉻鋼閥板)、閥軸組成,其介質流線型的結構設計近似于直線,調節性能好,密封結構為居中心線型密封,密封性能可靠達到雙向密封零泄漏,可以任意位置安裝。廣泛適用于氣體、濁液體、濃漿液或灰粉、懸浮顆粒類等介質。
- ZSHWf氣動襯氟蝶閥
產品概述
氣動蝶閥中線型結構,由閥體、內襯里層(聚四氟乙烯或橡膠)和(不銹鋼閥板或鍍鉻鋼閥板)、閥軸組成,其介質流線型的結構設計近似于直線,調節性能好,密封結構為居中心線型密封,密封性能可靠達到雙向密封零泄漏,可以任意位置安裝。廣泛適用于氣體、濁液體、濃漿液或灰粉、懸浮顆粒類等介質
產品特點
1.氣動蝶閥操作力矩小,是所有閥類中操作力矩最小的一種,啟閉迅速,以壓縮空氣為動力,通過活塞齒條,齒輪的機械傳動閥桿,以角行程輸出的扭矩轉動閥板0~90o,就能快速的完成啟閉動作,結構簡單、體積小、重量輕、流阻小、流量系數大,密封性能好。調節范圍大。是自動化控制系統中儀表的執行單元;
2.采用電-氣閥門定位器,以電信號和壓縮空氣為動力,接受控制系統輸入的0-10mA ?DC或4-20mA ?DC電流信號,由調節器將壓縮空氣,轉換成氣源壓力信號輸入輸出,改變閥板的旋轉角度(0-90o任意角度),具有較好的調節控制流量等參數。
3.采用電磁換向閥、閥位回訊器,以AC220V或DC24V電源電壓和壓縮空氣作動力,實現對流體介質的快速二位切斷控制。
4.GT型、AT型或AW型氣動執行機構采用活塞式氣缸及曲臂轉換結構,輸出力矩大,體積精小,采用全密封防水設計防護等級高。氣缸體采用鏡面氣缸,無油潤滑,磨擦系數小、耐腐蝕、具有超強的耐用性及可靠性。所有傳動軸承均采用邊界自潤滑軸承無油潤滑,確保傳動軸不摩損。
產品結構
流量特性圖表
主要技術參數和性能指標
公稱通徑D(mm) | 40 | 50 | 65 | 80 | 100 | 125 | 150 | 200 | 250 | 300 | 350 | 400 | 450 | 500 | 600 | 700 | |||||
公稱壓力PN(MPa) | 0.6、1.0、1.6、2.5 | ||||||||||||||||||||
流量特性 | 近似等百分比(參見典型曲線圖)、直線特性、快開性 | ||||||||||||||||||||
閥板轉角(度) | 0°~90°(可調) | ||||||||||||||||||||
允許泄漏量 | 軟密封:O泄漏 硬密封:≤額定Cv×0.001% | 軟密封:VI微氣泡級,硬密封:≤額定CV×0.065% | |||||||||||||||||||
允許壓差 | ≤公稱壓力值 | ||||||||||||||||||||
作用形式 | 雙作用/單作用(彈簧復位式) | ||||||||||||||||||||
控制型式 | 二位切斷型/調節型 | ||||||||||||||||||||
執行器 | 型 號 | DA、GTD/GTE系列、AW/AWS系列、ZSQ系列等 | |||||||||||||||||||
氣源壓力 | 凈化壓縮空氣(氮氣)0.3-0.7MPa | ||||||||||||||||||||
調節型 | 輸入信號 | 電流信號:0~10mA、4~10mA 氣源信號20~100kPa | |||||||||||||||||||
基本誤差 | 帶定位器≤±1.5% | ||||||||||||||||||||
回 差 | 帶定位器≤1.5% | ||||||||||||||||||||
死 區 | 帶定位器≤0.6% | ||||||||||||||||||||
可調節比 | 250:1 | ||||||||||||||||||||
切斷型 | 回訊電壓 | AC220V、AC110V、DC24V、 | |||||||||||||||||||
切斷時間 | 1-2S | 3-5S | 7-18S | 20-30S | |||||||||||||||||
附件的選用(根據不同控制和要求可選擇下列附件):
切斷型附件:單電控電磁閥、雙電控電磁閥、限位開關回訊器。
調節型附件:電氣定位器、氣動定位器、電氣轉換器。
氣源處理附件:空氣過濾減壓閥、氣源處理三聯件
手動機構:手操機構
主要零件材料及適用溫度
零件名稱 | 材料 |
閥體 | 鑄鐵、碳鋼(WCB)、不銹鋼(304、316) |
蝶板 | 灰鑄鐵、鍍鉻鋼、不銹鋼(304、316) |
襯里材料 | 各種橡膠、聚四氟乙烯 |
閥桿 | 2Cr13、不銹鋼(304、316) |
填料 | 橡膠O型圈、四氟乙烯V型圈、柔性石墨 |
襯里材料選用和適用溫度
材料品種 | 丁晴橡膠 | 乙丙橡膠 | 聚四氟乙烯 | 氟橡膠 | 天然橡膠 | 耐磨橡膠 |
英語簡稱 | NBR | EPDM | PTFE | VITON | NR | BR |
型號代號 | X5 | X3 | F4 | X7 | X1 | X6 |
耐最高溫度 | 93℃ | 150℃ | 232℃ | 204℃ | 85℃ | 82℃ |
耐最低溫度 | -40℃ | -40℃ | -268℃ | -23℃ | -20℃ | -10℃ |
適用工作溫度 | -20~+82℃ | -40~+125℃ | -30~+150℃ | -23~+150℃ | -20~+85℃ | 0~+70℃ |
應用規范
設計制造標準 | 法蘭尺寸標準 | 結構長度標準 | 檢驗試驗標準 |
GB/T12238-89 | JB/T79-94 HG20592 | GB12221-89 | GB/T13927-89 JB/T9092-99 |
MSS-SP-68 | ANSI B16.5 | ISO5752-13 | ZJB16006-90 |
JIS B2024 | JIS B2212~2215 | JIS B2002 | JIS B2003 |

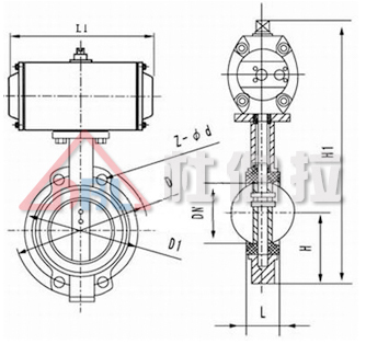
外形尺寸
公稱通徑(DN) | L | D1 | D | z-φd | H1 |
50 | 43 | 125 | 165 | 4-23 | 63 |
65 | 46 | 145 | 185 | 4-26.5 | 70 |
80 | 46 | 160 | 200 | 8-18 | 83 |
100 | 52 | 180 | 220 | 4-24.5 | 105 |
125 | 56 | 210 | 250 | 4-23 | 115 |
150 | 56 | 240 | 285 | 4-25 | 137 |
200 | 60 | 295 | 340 | 4-25/23 | 164 |
250 | 68 | 350/355 | 395 | 4-29 | 206 |
300 | 78 | 400/410 | 445 | 4-29 | 230 |
350 | 78 | 460/470 | 505 | 4-30 | 248 |
400 | 102 | 515/525 | 565 | 16-26/30 | 289 |
450 | 114 | 565/585 | 615 | 4-26/30 | 320 |
500 | 127 | 620/650 | 670 | 4-26/33 | 343 |
600 | 154 | 725/770 | 780 | 4-30/36 | 413 |
700 | 165 | 840 | 895 | 4-30 | 478 |
800 | 190 | 950 | 1015 | 4-33 | 525 |

氣動蝶閥.jpg)
